Kupplungsschalter keine Funktion

  • #1

    Ausfall des Kupplungsschalter

    Fehlerbeschreibung

    Der Anlasser dreht nicht bei eingelegtem Gang und gezogener Kupplung. Der Seitenständer ist oben. Im Leerlauf kann das Motorrad gestartet werden.

    Bedingungen beim Start

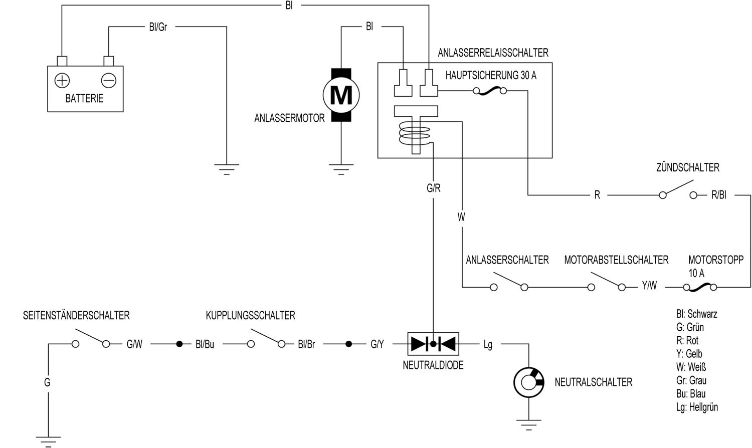
    Hauptstromkreis:

    Der für den Start notwendige Stromfluss führt vom +Pol der Batterie über eine schwarze Leitung (Bl) zum Lastkontakt am Anlasserrelais. Wird die Spule des Relais angesteuert, fließt der Strom zum Anlassermotor.


    Steuerstromkreis

    Hier müssen mehrere Bedingungen erfüllt sein:

    Die Plusspannung führt über den Zündschalter, zur 10A Sicherung, danach über den Motorabstellschalter (Killswitch) und Anlasserschalter (Starterknopf) zur Spule der Anlasserrelais.


    Die Minusspannung (Masse): Hier gibt es 2 Möglichkeiten


    Möglichkeit 1: Der Leerlauf ist eingelegt und der Neutralschalter arbeitet ordnungsgemäß.

    Möglichkeit 2: Der Seitenständer ist oben UND die Kupplung ist betätigt. (Gang ist eingelegt)


    Beide Möglichkeiten werden über eine gegengeschaltete Diode miteinander verknüpft. (Im vollständigen Stromlaufplan ist zu erkennen, dass von der Diode jeweils eine Meldung über den Kupplungsschalter und den Neutralschalter an die Hauptsteuereinheit gehen.)

    Mögliche Fehlerquellen

    Der Schalter am Seitenständer oder der Kupplungsschalter haben keine Funktion.

    Fehlerbehebung

    Durchmessen der beiden Schalter. Ich habe mit dem Kupplungsschalter angefangen und hier gleich den Schuldigen gefunden.

    Im Ausgebauten Zustand verhält sich der Kupplungsschalter als Öffner (nc).

    ACHTUNG VERWIRRUNG: Im eingebauten Zustand schließt er den Stromkreis bei Betätigung des Kupplungshebels.

    Mein Kupplungsschalter reagierte erst nach mehrmaligem Betätigen. Bei der genauen Betrachtung des Schalters fiel mir auf, dass die Kontakte der Witterung ausgesetzt sind. Es handelt sich hier um einen nicht gekapselten Schalter.


    Ich frage mich, welch ein Konstrukteur einen solchen Schalter in einem Motorrad einsetzt, das für den Geländeeinsatz entwickelt wurde?


    Auch wenn der Kupplungsschalter mit unter 10 günstig ist, habe ich ihn mit Kontaktspray behandelt, das Gehäuse mit Fett eingeschmiert und wieder eingebaut.

    Ich denke er wird noch ein wenig seine Funktion erfüllen. Beim nächsten Ausfall gibt es dann einen neuen Kupplungsschalter.

    --- From dust we come,into dirt we ride ---

    :auto-dirtbike:

  • Hey,

    dir scheint die Diskussion zu gefallen, aber du bist nicht angemeldet.

    Wenn du ein Konto eröffnest merken wir uns deinen Lesefortschritt und bringen dich dorthin zurück. Zudem können wir dich per E-Mail über neue Beiträge informieren. Dadurch verpasst du nichts mehr.


    Jetzt anmelden!