wäre schön sowas.
Im Dunkeln finde ich den Lichtschalter nicht.
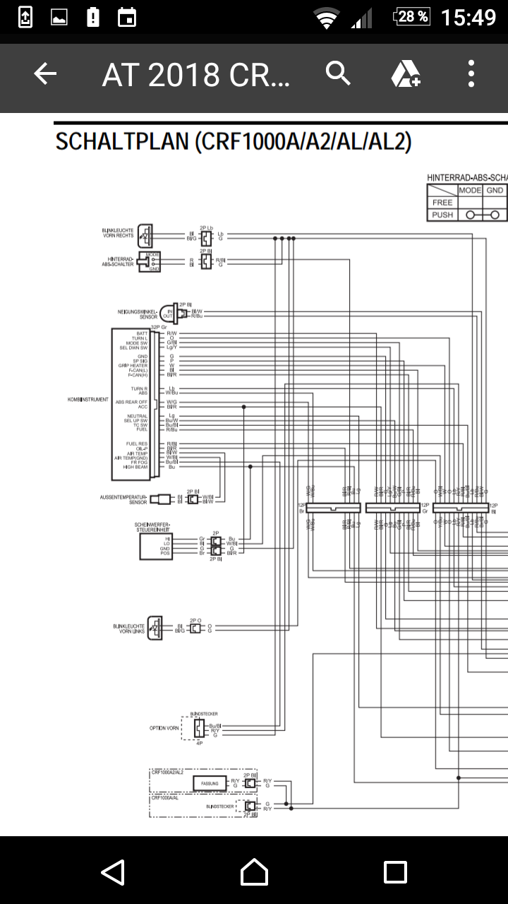
Heizgriffe/Licht/Bordcomputer?
Bis ich den richtigen gefunden habe, muss ich schalten und die Suche beginnt von vorn.
Vorallem wegen der Lichthupe/Fernlicht isses halt doof
wäre schön sowas.
Im Dunkeln finde ich den Lichtschalter nicht.
Heizgriffe/Licht/Bordcomputer?
Bis ich den richtigen gefunden habe, muss ich schalten und die Suche beginnt von vorn.
Vorallem wegen der Lichthupe/Fernlicht isses halt doof
Alles anzeigenTiere, die gegessen werden, bekommen keinen Namen, Motorräder sind zum fahren da und nicht zum bumsen 🤣🤘🏻
Wer hält sich da schon an Namen auf ![]()
naja, wenn ich der Dicken nen Namen gebe und über sie rede, versteht ja keiner um wen es geht....
"die Dicke", das muss reichen ![]()
Alles anzeigenGibt's einen gegen Vergleich daß die Hiflo Filter schlechter sind?
Genau das meine ich.
Es gibt keinerlei vergleiche dass die Zubehörfilter schlechter sind, bzw deshalb mehr Motorenverschleiß vorhanden wäre.
Ich hab auch die hiflo da liegen, die irgendwann, wenn ich der Meinung bin die alten austauschen zu müssen, einbauen werde.
...Wegen dem eventuellen mehrverschleiß, könnte ja sein.
Aber, gibt es dazu verlässliche Vergleiche?
der Kuchen is ja so geil, den kannst nicht essen!
ich montiere ja nur mit 3 Montiereisen und 3 Felgenschoner, ohne Montiergerät.
Und dabei kommt es schon mal vor, wenn man den Reifen mit den Hebeln draufhebelt, dass zwischen Hebel und Felge zufällig der Schlauch ist....
Das Ergebnis merkt man anschließend wenn man aufpumpen will und nix passiert außer "pffffffffffffft".....,
Im Video sollte man doch sehen was benötigt wird, oder?
da stimme ich dir zu.
Ich kämpfe auch jedesmal wieder.
Wenn ich mir jedoch Löcher in den Schlauch gedrückt hab, gehts beim 2. mal leichter, oder beim 3. ......
ähnlich wie du schon beschrieben hast.
Demontage:
Zuerst eine Seite vom Reifen, dann Schlauch raus, dann die ander Seite raus.
Zusammen bauen:
Zuerst eine Seite, dann Schlauch rein, dann die andere Seite.
Ggf. Bisschen Luft in den Schlauch geben, damit man ihn nicht einklemmt.
Aber auch das ist Übung...
gibt Leute, die arbeiten mit Talkum und schwören drauf.
Ich hab sowas noch nie verwendet.
Reifen hat eine Markierung, (gelber oder roter Punkt) die am Ventil liegen sollte.