....Eben, ein Blinker kann ja auch defekt sein und dauernd leuchten.
Beiträge von BerryBlack
-
-
Alles anzeigenAlles anzeigen
Erklär doch mal bitte den Ablauf im Kreisverkehr, kann mir das irgendwie nicht vorstellen
Ich im Kreisverkehr, der andere von rechts.
Und ja, wenn man nur flüchtig in der Eile schaut, sieht man nur was orangenes, was ja nur der Blinker sein kann.
Es gibt übrigens auch Menschen, die beim bewegen der Augen die LED Lichter flackern sehen.
Alles anzeigenDer andere Verkehrsteilnehmer hat dir das nun auch gesagt, dass sein Fehlverhalten auf deine nicht blinkenden Positionsleuchten zurückzuführen war?
Natürlich nicht. Hab den Menschen nicht angehalten. So gut wäre mein spanisch auch nicht gewesen.
Aber da es mir selbst schon fast passiert ist, kann ich mir das gut vorstellen.
Alles anzeigenAuch wenn ich einen Blinker gesetzt habe, darf ein anderer Verkehrsteilnehmer nicht einfach losfahren, er muss sich eben auch vergewissert haben, dass ich auch wirklich abbiege.
Sicher?
Ich Waage jedoch zu bezweifeln dass selbst du so lange stehen bleibst, bis der andere tatsächlich den Abbiegevorgsng eingeleitet hat
Alles anzeigenFür meinen Geschmack wird zu viel Wind um die Positionsleuchten gemacht.
bis vor einigen Jahren war das in Deutschland nicht erlaubt.
Wozu braucht man das jetzt?
Andere KFZ dürfen diese nun auch haben, wodurch das Unterscheidungsmerkmal dahin wäre.
-
Alles anzeigen
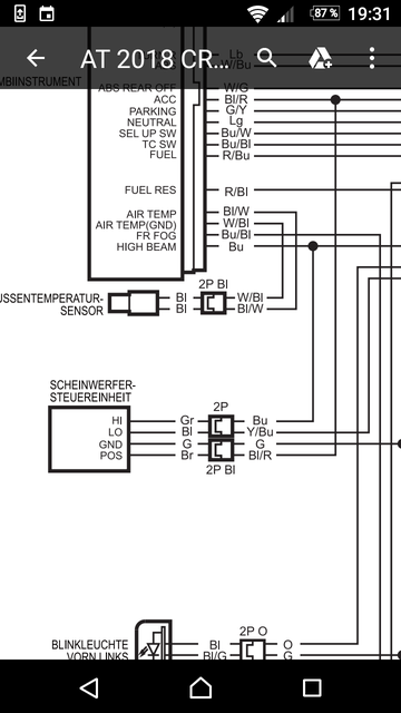
BerryBlack: Und da hast Du schon ein Detail, das an der AT nicht mehr vorhanden ist: „Ein Standlicht“.
Dessen Funktion übernehmen an der AT die orangen Positionsleuchten.
Ist im „Addendum 52: UN Regulation No. 53„ (wurde auch in die StVZO eingearbeitet worden) geregelt.
So sind entweder ein Standlicht „oder“ Positionsleuchten an einem Kraftfahrzeug zulässig.
Grüße aus dem wilden Süden,
Allgeier72
Schau mal deine Scheinwerfer an.
Am nicht eingeschalteten Fernscheinwerfer sieht man es besser.
Der beleuchtete "Ring", das ist unser Standlicht, auch wenn es nicht separat schaltbar ist.
Im Schaltplan is die Positionslampe ebenfalls aufheführt.
Scheinwerferszeiereinheit "Pos"
-
Alles anzeigen
Früher gab es gelbe Nebelscheinwerfer. Die hat ja auch niemand mit dem Blinker verwechselt.
Eben, die waren gelb und nicht orange! Deutlich größer und normalerweise auch nur bei Nebel eingeschaltet.
Und dann auch noch an einer ganz anderen Position.
-
"Positionsleuchten" sind soviel ich weiß kein muss.
Ob, wenn diese vorhanden sind, diese gelb sein müssen, oder auch weiß sein dürfen , weiß ich jedoch nicht.
Solange wir ansonsten noch ein Standlicht haben, 1000er Corona, können die Positionsleuchten weg.
-
solsnge "Alternativen" erlaubt sind, gibt es keine Probleme.
"Pasta" hilft da nicht weiter

-
Alles anzeigen
Ne cy hatte ein Kumpel von mir auch.
Jeden Tag fuhr er damit bei Wind und Wetter in Nachbarort übern Feldweg zur Lehre.
Im Winter erstmal ein Eimer heißes Wasser drüber damit der Gas und Kupplungszug auftaute.
Wenn auch nichts mehr funktionierte, der Motor lief immer zuverlässig.
Im Winter waren wir damit zu zweit in den Grünanlagen crossen.
Die verreckte einfach nicht....
Aber Stuttgarter Stadtverkehr auf der 3. Spur kurz vor ner Steigung stellten mit 20 Jahre alten 2,4 PS eine navigatorische Herausforderung dar...



.....noch was vergessen.:
Die cy meines Kumpel war beim Kauf schon verratzt. Mit Lammfell und Großer Scheibe.
In Sindelfingen gekauft und nach Münchingen überführt.
Wer kennt das "Glemseck" mit seinen 15% Gefälle?
Auf der Ebene lief die cy 40. Glemseck runter knappe 80!
Drehzahl? Wir wollten es besser nicht wissen. (cy hat keinen Drehzahlmesser)
-
ich finde es auch gefährlich. Wurde auch schon im Kreisverkehr, im Ausland fehlgedeudet.
Ja, das ABS funktioniert

-
Alles anzeigen
sollte meiner Meinung nach auch innen glänzend verchromt sein.
Stimmt. Eine glatte Oberfläche lässt sich leichter folieren.
....is nicht böse oder ernst gemeint. Mir ist einfach nur dieser Blödsinn eingefallen...
-
....sag das bloß nicht deinem Mechaniker.
Ich glaube nicht dass die Karre mit halbierten Kontakten noch läuft
