Brauchst nur die Lampen. Danach freischalten und es funktioniert
Beiträge von Harry-64
-
-
Alles anzeigen
Wenn der erste Test ein Erfolg wird werd ich mal sehen ob ich, so wie bei dem Halter für die ATAS eine Kleinserie bauen lassen kann. Vielleicht findet sich ja ein Partner dafür. Auf Metallbearbeitung bin ich jetzt eigentlich nicht so spezialisiert.
Gibt es zu deiner Halterung eine Zeichnung?
-
Alles anzeigen
Hab mir das Handbuch jetzt auch bestellt. Ich werde es mir Digitalisieren in dem ich es durch einen Speziellen Dokumentenscanner jage.
Dann Druck ich mir immer die entsprechende Seite aus wenn ich was brauch bzw. am Moped schraube.


Glaube, du hast jetzt ganz viele Freunde 😂
-
-
Alles anzeigen
Perfekt Matthias, kannst du mir die Maße zukommen lassen?
lg
AMPS Platte 43x50mm. Lochabstand 38x30 +/-0,5. Loch 5mm
-
Die XT Platte past genau auf eine RamMount Platte. Also quasi genormt.
-
Lese gerade das Stichwort "Stromdiebkabel". Dann ist es klar. Mit dem roten Teil kannst Du das Kabel vom Standlicht/geschaltetes Plus anzapfen. Da kannst irgendwo ein zweites Kabel reinklemmen und irgendwie zu quetschen. Dann brauchst nicht zu löten oder andere Kabel auftrennen.
Das weiße Kabel geht dann an das schwarze Kabel vom Schalter, der rote "Stromdieb" an das Standlichtkabel (Plus)
Wer zuerst den ganzen Beitrag liest, kann sich viel arbeit sparen. Aber irgendwie muss ich hier ja auf Beiträge kommen und meinen Status erhöhen ........
-
-
-
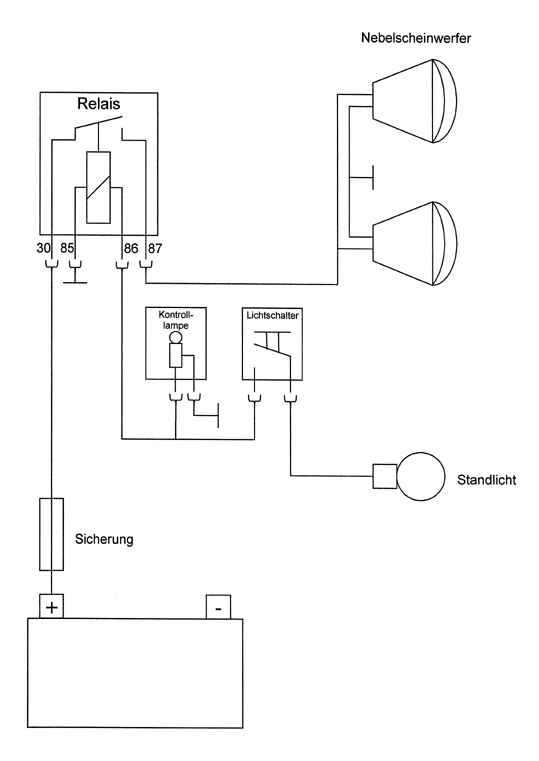
So sieht ein Standartanschluss für Zusatzscheinwerfer aus. Die Nummern in dem Bild müssten auch an den Pins von Deinem Relais stehen, ist alles genormt.
Das Kabel vom Schalter auf irgend ein geschaltetes Plus legen, z.B. Standlicht. Da beim Mopped Standlicht immer an ist wenn Zündung an, ist es egal, wo du es hinlegst.
(Möchtest Du es 100% TÜV-konform machen, legst Du es nicht auf Standlicht sondern auf Abblendlicht. Dann gehen die Nebler auch aus, wenn Du auf Fernlicht gehst. Interessiert aber normalerweise kein Mensch. Also alles hier in Klammern ausblenden und vergessen.)
Funktion ist wie folgt: Der Schalter versorgt die Spule des Relais über Anschluss 86-85 (85 an Masse). Sobald die Spule versorgt wird, schaltet das Relais über 30-87 durch und die Scheinwerfer gehen an.
Es ist egal, ob die Sicherung zwischen Batterie und Relais oder Scheinwerfer liegt.
Zusatzinfo: Falls von Deinem Schalter noch ein weiteres Kabel abgeht (also mehr als 2) ist das für die Versorgung des beleuchteten Schalters. Dann zeigt dein Schalter an, dass die Nebler an sind. Dieses Kabel muss dann normal auf Masse.