Alles anzeigenOberpleichfeld, Teststation. Tricolor mit geilem neongelbem Helm.
Negativ
Danke, der erste der meinen Helm toll findet ![]()
Alles anzeigenOberpleichfeld, Teststation. Tricolor mit geilem neongelbem Helm.
Negativ
Danke, der erste der meinen Helm toll findet ![]()
Alles anzeigenhttps://www.decathlon.de/p/zel…-grau-orange/_/R-p-311272
3,5 kg , steht auch ohne Heringe, 2 Stangen entschieben und einseitig fixieren - fertig, bietet 180cm in der 3 Personenvatriante (das zwei Personen war mir zu eng) und zwei Eingänge für gute Belüftung, verhältnismäßig kleines Packmaß...und wer möchte kann noch eine Bodenplane für drunter ordern.
mit 139,- Euro für mich ein guter Preis-Leistungs-Gewicht-Kompromiss
Ich hab dieses hier: https://www.decathlon.de/p/kup…jahreszeiten/_/R-p-311346
Gesamtgewicht sogar noch weniger? -> 3,1 kg.
Ist ähnlich easy aufzubauen. Man kann das Innenzelt zwar Raustrennen aber ich lass es immer dran.
Einfach die zwei Stangen rein und schon steht die Laube.
Oben noch die Querstange und es ist fertig. Wenn man will kann man noch eins zwei Heringe spendieren.
Für mich absolut top.
Alles anzeigen..... d.h. das Ding gehört repariert oder getauscht. So eine einzelne Seitenverkleidung kratzt schon an den 1000€.
Also meine hat neu ca 200€ gekostet... ![]()
(Sogar mit Orginal Honda Carton
)
...und wenn man über den offiziellen Shop geht kostet diese auch noch unter 500€.
Immer solche Behauptungen....
Wünsche viel Erfolg beim Verkauf
Hi,
einen Finalen Status kann ich noch nicht liefern.
Allerdings im November eine erste 100m lange Probefahrt unternommen - es funktioniert wieder einigermaßen.
Aber eine 100%ige root cause kann ich nicht geben.
Aber eine Vermutung:
Evtl. lag es "nur" am rechten Lenkerschalter wo man von "N" in den "D" (Drivemodus) schaltet, dieser wurde aufgetrennt und mit einer eigen Konstruktion überbrückt und dann hat es funktioniert.
Habe jetzt eine neue Schaltereinheit - längere Probefahrt steht noch aus.
Evtl. hatte auch das Steuergerät einen Fehler - es wurde zusätzlich ein anderes Steuergerät eingebaut/getauscht - ob es damit zusammenhängt muss noch getestet werden - müsste erst wieder umgebaut werden (das dann aber erst nach der Probefahrt).
Frage hier an die Runde, durch das "neue" Steuergerät sind ja meine orginalen Schlüssel nicht bekannt bzw. müssen meine orginalen Schlüssel erst neuen Steuergerät hinterlegt werden.
Aber, es sind bereits die zwei ursprünglichen Schlüssel auf diesem neuen Steuergerät hinterlegt.
Bis jetzt habe ich die Aussage von der Werkstatt bekommen das man nur wirklich 100%ig neue Schlüssel ins Steuergerät hinterlegen kann.
Bei einem Steuergerät wo schon zwei hinterlegt sind und ich noch mal neue hinzufügen will (die schon mal im Einsatz waren) geht laut Werkstatt nicht. Mir leuchtet das nicht ganz ein, da es ja nur ein Schlüssel mit responder ist und der keinen Speicher hat wo hinterlegt sein könnte auf welchem Steuergerät schon eingespeichert ist.
Hatte jemand vielleicht schon mal das Vergnügen?
Ansonsten sieht der Start-Vorgang im Moment noch wie folgt aus:
Mein "orginal" Schlüssel ist mit Alufolie "abgeschirmt" und Steckt im Zündschloss.
Der im Steuergerät hinterlegte Schlüssel wird dann ganz nah ans Zündschloss gehalten (dieser Sender/Empfänger Ring).
Dann wird der Schlüssel umgedreht und man kann starten.
Läuft das Moped kann man den "im Steuergerät hinterlegte Schlüssel" wieder einstecken.
Etwas umständlich aber es geht.
Es muss doch möglich sein meine Schlüssel die überall passen (Zündschloss, Tank, Sitzbank) im neuen Steuergerät zu hinterlegen, oder?
Grüße
SImon
Hi,
Ich hab mittlerweile schon mehrere solche Briefe bekommen über die Jahre verteilt aus mehreren Ländern.
Zwar nicht so krass (immer so um 5-10km/h zu viel ca. 40-80€) - unterm Strich habe ich sie alle bezahlt.
Wenn es richtig doof läut und du machst wieder in Italien Urlaub und die halten dich an, das du läufst ![]()
Sei froh das du nicht in der Schweiz unterwegs warst ![]()
FunFact am Rande - mittlerweile sind es mehr aus dem Ausland als aus dem Inland ![]()
Um die Lenkeramatur zu wechseln muss kein Kühlwasser gewechselt werden.
Die Kabel gehen am Kühler vorbei (rechte seite) aber da besteht keine Abhängigkeit.
Wenn man kleine, geschickte Hände hat, kann man das auch ohne Tank abbauen hinbekommen.
Ansonsten Tank ab.
Simon
Alles anzeigenHast du keine Anschlussgarantie, kann in solchen Fällen helfen und viel Geld sparen.
Habe bei allen Motorrädern die Garantie verlängert, bei den Ersatzteilpreisen heute, finde ich, lohnt sich das.
Leider nein, wäre jetzt dann sowieso schon abgelaufen.
Ist ja jetzt über 4 Jahre alt die Kiste.
Simon
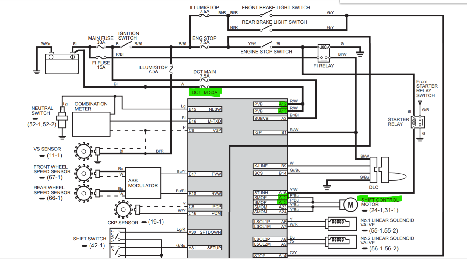
Alles anzeigenWenn die Sicherung auch bei abgeklemmten Stellmotor durch brennt können es ja nur noch die Kabel oder das Steuergerät sein (ich vermute, dass der große graue Kasten in der Mitte das Steuergerät ist).
Ich wünsche dir, dass es die Kabel sind weil Steuergerät wird teuer... Leider kann man bei Honda dank HISS nicht mal eben ein anderes ran hängen also bleibt wohl nur Kabel durchmessen und wenn die es nicht sind Steuergerät
Moin,
das Steuergerät schließe ich nach meinen Theorien erst mal aus - den in der Werkstatt ist der Motor ja noch gelaufen & der Selfcheck wird ja erfolgreich beendet (Motorkontrolleuchte und die anderen sind ja okay - bis auf der DCT Balken - der blinkt.)
Grüße
SImon
Hallo guten Abend Forum,
ich habe ein Problem.
Im Juli habe ich eine längere Tour unternommen und genau am letzten Tag ist es das erste mal aufgefallen - kurz Fotopause, Kill-Schalter gedrückt -> abgestiegen -> Foto gemacht -> Killschalter wieder zurück -> gestartet und dann kam der blinkende Balken fürs DCT.
Ein kurzes Zündung Ein/Aus und alles war wieder gut.
Das war im Juli.
Im August bin ich immer wieder mal kleine Tagestouren gefahren ohne Probleme und ich habe das Phänomen als erledigt betrachtet.
Am ersten September Wochenende bin ich zu einem treffen nach Bad Reichenhall gefahren.
Anfahrt waren gute 300km mit Zwischenstopps ohne jegliche Probleme.
Am darauf folgenden Montag wollte ich dann weiterfahren, es war eine kleine Tour durch Österreich und Italien geplant.
Von Bad Reichenhall bin ich zur Rossfeld Panorama Strasse gefahren.
Dort muss man Maut zahlen am Automaten.
Seitenständer raus -> zum Automaten hin -> wieder zurück -> Motor gestartet -> Blinkender Balken.
Dann mehrmals über den Killschalter den Motor An/Aus gedrückt und dabei immer wieder auf "D" gedrückt.
Nach ein paar mal war dann der Gang drinnen.
Den ganzen Tag über hatte ich keine weiteren Probleme mehr - fing aber langsam darüber nachzudenken was es sein könnte (Den DCT Stellmotor hatte ich im Winter erst gereinigt und hat seit dem ca. 15tkm auf der Uhr)
Am nächsten morgen an der Unterkunft dann wieder das Problem.
Ich habe irgendwo mal gelesen das leichte Schläge mit dem Schraubenzieher auf den Stellmotor helfen sollen.
Entweder war es das oder das mehrmalige An/Aus - jedenfalls ging dann der Gang wieder rein.
Pause an der Tanke -> wieder das Problem.
Mittagspause -> wieder.
An dem Tag habe ich es mehrmals darauf ankommen lassen und jedes Mal bin ich in dieses Problem gerannt.
Ich habe mir dann ein Hotel mit Tiefgarage gesucht -> dort habe ich dann abends mal den Stellmotor rausgebaut und im Zimmer sauber gemacht.
Ja er war schon sehr dreckig.
Alles gut -> wieder eingebaut.
Dann noch mal versucht zu starten -> nichts. (Self Check wird zwar durchlaufen, blinkender Balken fürs DCT und wenn man den Motor starten will keine reaktion)
Batterie abgeklemmt für längere Zeit -> start versuch -> nichts
Am morgen habe ich dann den ADAC angerufen und wir sind zur Honda Werkstatt gefahren (welche ich wirklich sehr empfehlen kann: (https://goo.gl/maps/8BRi77o3EgeZijCX7)
Ich dachte mir - kurzer Anschluss vom Laptop - löschen des Fehlerspeichers und alles is paletti.
Falsch gedacht.
Nach mehreren Versuchen haben sie es irgendwie hinbekommen das der Motor wieder angeht - aber einen Gang haben Sie auch nicht rein bekommen.
Sie haben einen komplett neuen Stellmotor angebaut (vorher meinen geprüft (12V angelegt für beide Richtungen wie im WHB beschrieben) und eigentlich für gut befunden) -> auch nichts.
Neue rechte-Schaltereinheit -> nichts
Nach mehreren Stunden haben wir dann abgebrochen und beschlossen das wir den Rücktransport durchführen.
Jetzt steht die Twin wieder bei mir und ich stehe vor einigen Fragen.
Denn jetzt springt sie bei mir nicht mehr an?! (evtl. haben die über den Laptop das irgendwie hinbekommen das die Kiste läuft?)
Ich habe jetzt gesehen das es die 30A DCT_M Sicherung durchgebrannt war- alle anderen sind okay.
Sicherung getauscht, Zündung an -> Sicherung futsch.
Blick ins WHB:
Muss wohl was mit dem Stellmotor zu tun haben.
Voller Hoffnung nächster Versuch:
Stellmotor ausgebaut und abgeklemmt -> Zündung an -> Sicherung futsch.
Aufgescheuerte Kabel konnte ich bis jetzt noch keine entdecken und am Tag vor der Werkstatt sprang sie ja noch einwandfrei an (Gang einlegen jetzt mal ignoriert).
Weiterhin spürt an das wohl irgend ein Gang noch eingelegt sein muss - zumindest lässt sich das Hinterrad nur sehr schwer drehen.
Ich dachte eigentlich das der Stellmotor beim SelfCheck versucht in den neutralen zu kommen und deshalb die Sicherung fliegt, aber die Theorie geht ja nicht ganz auf.
Hatte jemand schon solche Probleme?
Wie könnte ich jetzt weiter vorgehen?
Aus dem Schaltbild, so lese ich es, ist die 30A DCT_M Sicherung nur für den Stellmotor zuständig?
Eine Idee noch von mir:
Stellmotor anbauen und im eingebauten Zustand mal eine 12V Spannung anlegen das er sich dreht und ich somit bewirke das ein Sensor (der vielleicht gerade in meinem dummen Zufall so dumm liegt) wieder zurecht "gerückt" wird.
Etwas Kopfschmerzen bereitet mir das ganze aber schon, nicht das ich die 12V zu lange angelegt lasse und mir drinnen die ganzen Zahnräder hops gehen die er antreibt.
Was ich vorher noch prüfen will sind die Schritte - ob die Zahnräder noch alle richtig ausgerichtet sind:
Aber mit der Sicherung kann das doch eigentlich nichts zu tun haben?
Warum geht die immer raus?
Wer legt den den Neutral-Gang ein bei dem Motorrad? Ich dachte immer das der Stellmotor diese Aufgabe hat?
Fragen über Fragen - ich hatte gehofft das es einfach nur der Stellmotor ist....
Was haltet ihr von meinen Ideen ![]()
Tipps gerne willkommen.
Africa Twin DCT ABS SD04, BJ2016, 96tkm.
Grüße aus Franken
Simon
Hi,
in meinem Falle SW-Motech TRX-ADV - mit Kofferträger, 38/45L Version, schwarz und Kampfspuren sind auch mit dabei.
Inklusive allem würde ich mir 600€ vorstellen.
Wenn Interesse einfach melden.
Simon